INADEVA Research Project
News
The 4th EENVIRO conference ! http://www.eenviro.ro/

Location: Wednesday, 26 th of October: Romanian Academy Library Calea Victoriei bvd., no. 125, Bucharest
Thursday and Friday, 27th and 28th of October: Faculty of Building Services- Technical University of Civil Engineering Bucharest Pache Protopopescu bvd., no. 66, Bucharest
This conference adresses to researchers, engineers and students in the fields of Energy and Environement. This is a research conference where authors can submit two types of research papers: fundamental research and applicative research.
The best articles will be published as Web of Science-ISI Proceedings/ SCOPUS in Energy Procedia Journal!!


http://utcb.creative-coding.ro/eenviro/

EENVIRO - YRC 2015 18 - 20 November 2015, Bucharest
This conference adresses to researchers, engineers and students in the fields of Energy and Environement. This is a research conference where authors can submit two types of research papers: fundamental research and applicative research.
This is a conference that promots the high quality research papers. All articles will be double or triple blind reviewed.
The scienfic quality is rewarded as the best papers will be published in one of the journals:
"Mathematical Modelling in Civil Engineering"
"Revista Romana de Inginerie Civila"
"Romanian Journal of Building Services".
All accepted papers will be presented in oral/poster presentations, offering researchers the oportunity to present their research advancement on different fields.



Conference ,,The 2nd Conference of the Young Researchers from TUCEB,,  Bucharest, 17-18 November 2011
www.yrc.utcb.ro

International conference ,,11th International Conference for Enhaced Building Operation - ICEBO 2011"
http://icebo.tamu.edu/home

Solar Decathlon 2014

Solar Decathlon Europe is an international competition among universities which promotes research in the development of efficient houses. The objective of the participating teams is to design and build houses that consume as few natural resources as possible and produce minimum waste products during their life cycle. Particular emphasis is put on reducing energy consumption and on obtaining all the necessary energy from the sun.
Copyright © 2010 Universitatea Tehnica de Constructii Bucuresti / All rights reserved to CAMBI Research Center
Contact
Principal investigator:

Name:  Ilinca Nastase
Address: Bd-ul Pache Protopopescu Nr. 66, Sector 2,
cod 73232, Bucuresti, Romania


Tel:
+40212524280
Fax:
+40212523967
Email: ilinca.nastase@cambi.ro
          ilinca.nastase@gmail.com
Newsletter:


Principal investigator: Dr.eng Ilinca Nastase

Project sponsor: Unitatea Executiva pentru Finantarea Īnvatamāntului Superior si a Cercetarii Stiintifice Universitare (UEFISCDI)
Results
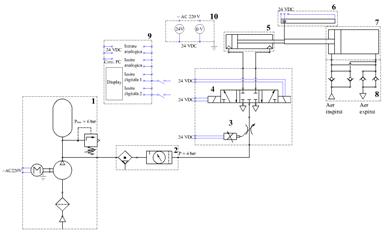
Objective 3- Tasks T5,T6
Starting from the first circuit respiratory developed in 2013, we continued improving it and proposed a new version of improved respiratory circuit.
The programmable automate contains a control program on the parameters of speed and position of the actuator acting pneumatic piston pump which carries breathing air flows in four modes: breathing during sleep; Breathing during a light office work activities; Breathing during moderate activity at work; Breathing during a quick walk. Depending on the mode selected by the user the system works automatically making breathing cycles specific to the activity.

.